摇臂开启大流量保安过滤器
(一)简介
摇臂开启保安过滤器是采用成型的滤材,在压力的作用下,使原液通过滤材,滤渣截留在管壁上,滤液透过滤材流出,从而达到过滤的目的。去除水中的悬浮物、某些胶状物质和小颗粒物等:采用摇臂开启方式过滤器开启简单省力,更换元件简单快捷。
(二)性能特点
1、机体采用SS304,316L材质,表面处理进行亚光喷珠、镜面电解抛光 处理
2、接口形式: GB、HG、DIN、ANSI、JIS标准法兰。
3、机体开启采用高强度不锈钢环首螺栓锁紧,旋转摇臂平移开启结构,设备打开维护快捷方便。
4、滤芯密封采用不锈钢弹簧压帽,内、外、上、下均有定位,滤芯在进水受冲击时,无晃动及侧漏。多可放到150支滤芯以上,单机可实现较大流量的要求。
5、适应多种滤芯接口,每支滤芯都有定位孔及导杆,更换滤芯将变得及其容易。
6、机体设有排污口,及时清理沉淀污渍。
7、上盖设有排气装置,能及时排除罐体中压缩空气。
(三)型号说明
MYB □ - □
![]()
![]()
摇臂开启大流量保安过滤器
![]()
公称流量(m3/h) 滤材精度(μm):
(四)技术参数
| 型 号 |
流量 (m3/H) |
设计压力 (MPa) |
设计温度 ℃ |
密封材料 | 过滤精度 | 更换压差 | 滤芯数量 | 滤芯长度 |
| MYB30-* | 30 |
0.6 1.0 1.6 |
5 ~ 60 |
丁腈橡胶 *硅胶 氟橡胶 |
0.1μm -200μm |
2bar | 20 | 30" |
| MYB40-* | 40 | 20 | 40" | |||||
| MYB38-* | 38 | 25 | 30" | |||||
| MYB50-* | 50 | 25 | 40" | |||||
| MYB45-* | 45 | 30 | 30" | |||||
| MYB60-* | 60 | 30 | 40" | |||||
| MYB70-* | 70 | 35 | 40" | |||||
| MYB80-* | 80 | 40 | 40" | |||||
| MYB90-* | 90 | 45 | 40" | |||||
| MYB100-* | 100 | 50 | 40" | |||||
| MYB130-* | 130 | 65 | 40" | |||||
| MYB160-* | 160 | 80 | 40" | |||||
| MYB180-* | 180 | 90 | 40" | |||||
| MYB200-* | 200 | 100 | 40" | |||||
| MYB220-* | 220 | 110 | 40" | |||||
| MYB260-* | 260 | 130 | 40" |
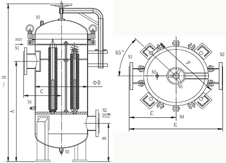
| 型 号 |
直径 D |
A | B | C | E | F | H |
进出口径 N1/N2 |
排污/放空 N5/N6 |
压力表口 N3 |
| MYB30-* | Ø400 | 950 | 360 | 300 | 600 | 455 | 1550 | DN80 | G1/2" | G1/4" |
| MYB40-* | Ø400 | 1200 | 360 | 300 | 600 | 455 | 1800 | DN80 | G1/2" | G1/4" |
| MYB38-* | Ø450 | 950 | 360 | 325 | 650 | 505 | 1580 | DN80 | G1/2" | G1/4" |
| MYB50-* | Ø450 | 1200 | 360 | 325 | 650 | 505 | 1830 | DN80 | G1/2" | G1/4" |
| MYB45-* | Ø500 | 950 | 380 | 350 | 700 | 520 | 1600 | DN80 | G1/2" | G1/4" |
| MYB60-* | Ø500 | 1200 | 380 | 350 | 700 | 520 | 1870 | DN100 | G1/2" | G1/4" |
| MYB70-* | Ø500 | 1200 | 380 | 350 | 700 | 520 | 1870 | DN100 | G1/2" | G1/4" |
| MYB80-* | Ø550 | 1200 | 380 | 375 | 750 | 570 | 1890 | DN100 | G1/2" | G1/4" |
| MYB90-* | Ø600 | 1200 | 420 | 400 | 800 | 620 | 1950 | DN125 | G3/4" | G1/4" |
| MYB100-* | Ø650 | 1200 | 420 | 425 | 850 | 670 | 1970 | DN125 | G3/4" | G1/4" |
| MYB130-* | Ø700 | 1200 | 460 | 475 | 950 | 720 | 2020 | DN150 | G3/4" | G1/4" |
| MYB60-* | Ø750 | 1200 | 460 | 500 | 1000 | 770 | 2040 | DN150 | G3/4" | G1/4" |
| MYB180-* | Ø800 | 1300 | 500 | 525 | 1050 | 820 | 2120 | DN200 | G3/4" | G1/4" |
| MYB200-* | Ø850 | 1300 | 500 | 550 | 1100 | 870 | 2140 | DN200 | G3/4" | G1/4" |
| MYB220-* | Ø900 | 1300 | 550 | 575 | 1150 | 920 | 2200 | DN200 | G3/4" | G1/4" |
| MYB260-* | Ø1000 | 1300 | 600 | 625 | 1250 | 1020 | 2300 | DN250 | G3/4" | G1/4" |
摇臂开启大流量保安过滤器.pdf上一篇:派克大通量保安过滤器
下一篇:中小流量法兰开启保安过滤器